按應用分類
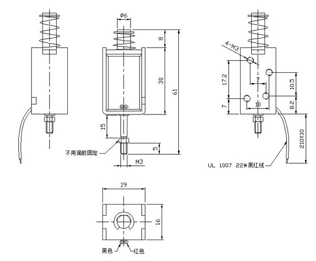
型號:SDL-U0630E-12S40
產品使用對象:光學儀器
產品執行功能:推拉
12V燈光學儀器用推拉電磁鐵參數
| 電壓: | DC12V | 行程: | 15MM | 電阻: | 40歐 | 功率: | 3.6W |
| 耐溫: | 壽命: | 20萬次 | 耐電壓: | 初始力: | 5G | ||
| 電流: | 0.3A | 通電率: | 50% | 彈簧回力: | 吸力: |
12V燈光學儀器用推拉電磁鐵產品詳情
12V燈光學儀器用推拉電磁鐵
型號:SDL-U0630E-12S40
參數
行程:15MM
電壓:DC12V
電流:0.3A
初始力:5G
電阻:40歐
功率:3.6W
通電率:50%
壽命:20萬次
單次通電時間:10分鐘
使用率:72次/24H
是否防水:否
是否防油:否
產品使用行業:光學儀器
產品執行功能:推拉
拓展適用行業:美容智能化
產品特點:體積小,便于安裝,通電時間長




廣州思德隆電子有限公司(http://www.shslh.com)創立于2005年,是一家專業生產研發電磁鐵定制加工,電磁閥定制,電磁線圈,小型電磁鐵等各類電磁產品,擁有豐富行業經驗的廣州電磁鐵廠家、廣州電磁閥廠家、電磁線圈廠家。品種多樣,規格齊全,產品從零部件到成品組裝均有自己的加工設備以及產生線,擁有高精密度檢測儀器和自主研發的老化設備,已通過(ISO9001認證)專業制造12V推拉電磁鐵,燈光學儀器電磁鐵從產品設計到樣品以及量產,均有量化高效的工藝流程及老化實驗檢測,保證了產品的質量與訂單的按時交貨。
http://www.shslh.com/elinfo-164.html
http://www.shslh.com/elinfo-165.html
http://www.shslh.com/elinfo-166.html
http://www.shslh.com/elinfo-167.html
關鍵詞:12V推拉電磁鐵,燈光學儀器電磁鐵






