按應用分類
型號:SDL-U0837E-220S3600
產品使用對象:蘇泊爾電飯煲
產品執行功能:推拉開關
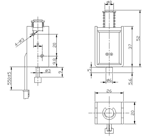
電飯煲用交流小型推拉開關電磁鐵定制參數
| 電壓: | AC220V | 行程: | 9MM | 電阻: | 3600 | 功率: | 13.4W |
| 耐溫: | 壽命: | 20萬次 | 耐電壓: | 初始力: | 90G以上 | ||
| 電流: | 61MA | 通電率: | 25% | 彈簧回力: | 吸力: |
電飯煲用交流小型推拉開關電磁鐵定制產品詳情
電飯煲用交流小型推拉開關電磁鐵定制
型號:SDL-U0837E-220S3600
參數
行程:9MM
電壓:AC220V
電流:61MA
電阻:3600
功率:13.4W
初始力:90G以上
通電率:25%
壽命:20萬次
產品使用對象:蘇泊爾電飯煲
產品執行功能:推拉開關
拓展適用行業:自動門鎖
產品特點:體積小,磁力大,安裝方便。




廣州思德隆電子有限公司(http://www.shslh.com/)創立于2005年,是一家專業生產研發電磁鐵定制加工,,小型電磁鐵等各類電磁產品,擁有豐富行業經驗的廣州電磁鐵廠家、品種多樣,規格齊全,產品從零部件到成品組裝均有自己的加工設備以及產生線,擁有高精密度檢測儀器和自主研發的老化設備,已通過(ISO9001認證)專業制造電飯煲用交流小型推拉開關電磁鐵從產品設計到樣品以及量產,均有量化高效的工藝流程及老化實驗檢測,保證了產品的質量與訂單的按時交貨。
關鍵詞:電飯煲,交流小型推拉開關電磁鐵,開關電磁鐵定制
| 上一篇:物聯網智能柜鎖開關電磁鐵定制 |
| 下一篇:直流小型推拉式電磁鐵產品定制 |






