按應用分類
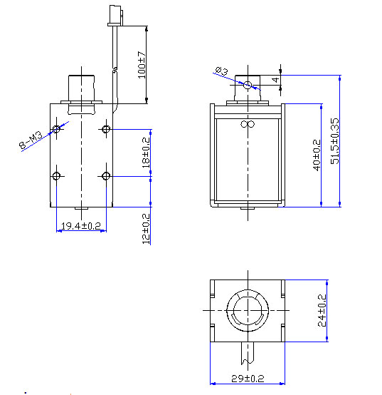
型號:SDL-U1040I-24L36
產品使用對象:線材刻字機
產品執行功能:推拉
東莞線材刻字機用框架推拉電磁鐵定制參數
| 電壓: | DC24V | 行程: | 3MM | 電阻: | 36 | 功率: | 16W |
| 耐溫: | 壽命: | 100萬次 | 耐電壓: | 初始力: | 850G | ||
| 電流: | 0.67A | 通電率: | 25% | 彈簧回力: | 吸力: | 850G |
東莞線材刻字機用框架推拉電磁鐵定制產品詳情
東莞線材刻字機用框架推拉電磁鐵定制
型號:SDL-U1040I-24L36
參數
行程:3MM
電壓:DC24V
電流:0.67A
電阻:36
功率:16W
初始力:850G
通電率:25%
壽命:100萬次
產品使用對象:線材刻字機
產品執行功能:推拉
拓展適用行業:電線刻字機電磁鐵
產品特點:體積小,使用壽命增大。




廣州思德隆電子有限公司(http://www.shslh.com/)創立于2005年,是一家專業生產研發電磁鐵定制加工,,小型電磁鐵等各類電磁產品,擁有豐富行業經驗的廣州電磁鐵廠家、廣州電磁閥廠家、電磁線圈廠家。品種多樣,規格齊全,產品從零部件到成品組裝均有自己的加工設備以及產生線,擁有高精密度檢測儀器和自主研發的老化設備,已通過(ISO9001認證)專業制造線材刻字機用框架推拉電磁鐵從產品設計到樣品以及量產,均有量化高效的工藝流程及老化實驗檢測,保證了產品的質量與訂單的按時交貨。
http://www.shslh.com/newsinfo-87.html
http://www.shslh.com/newsinfo-80.html
http://www.shslh.com/newsinfo-78.html
http://www.shslh.com/newsinfo-77.html
http://www.shslh.com/newsinfo-76.html
關鍵詞:線材刻字機用電磁鐵,刻字機用框架推拉電磁鐵
| 上一篇:東莞低溫電梯防滑電磁鐵定制 |
| 下一篇:游戲機用強力撞擊珠子電磁鐵定制 |






