按應用分類
型號:SDL-DYC23090A-24L6.3
產品使用對象:深海地質勘探設備
產品執行功能:取樣器脫落器
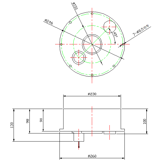
深海地質勘探取樣器環形電永磁吸盤電磁鐵參數
| 電壓: | DC24V | 行程: | 電阻: | 6.3歐 | 功率: | 91.4W | |
| 耐溫: | 壽命: | 3年 | 耐電壓: | 初始力: | 240KG | ||
| 電流: | 3.8A | 通電率: | 5% | 彈簧回力: | 吸力: |
深海地質勘探取樣器環形電永磁吸盤電磁鐵產品詳情
深海地質勘探取樣器環形電永磁吸盤電磁鐵
型號:SDL-DYC23090A-24L6.3
參數:
電壓:DC24V
電流:3.8A
電阻:6.3歐
初始力:240KG
功率:91.4W
通電率:5%
壽命:3年
環境溫度:0~40
是否防水:是
是否耐油:否
產品描述:環形電永磁吸盤電磁鐵,外觀鍍鎳。電永磁吸盤內部填充無空隙。繞線平整,可應用于深海(海底6000米)地質勘探,灌封膠使用美國3M軟質抗壓灌封膠。接入線長150mm以上。
產品使用行業:深海地質勘探設備
產品執行功能:取樣器脫落器
拓展適用行業:遠距離負重長延時開關
產品特點:抗壓、耐腐蝕,長期保持吸力,順時消磁。



廣州思德隆電子有限公司(http://www.shslh.com)創立于2005年,是一家專業生產研發電磁鐵定制加工,電磁閥定制,電磁線圈,小型電磁鐵等各類電磁產品,擁有豐富行業經驗的廣州電磁鐵廠家、廣州電磁閥廠家、電磁線圈廠家。品種多樣,規格齊全,產品從零部件到成品組裝均有自己的加工設備以及產生線,擁有高精密度檢測儀器和自主研發的老化設備,已通過(ISO9001認證)專業制造深海勘探取樣器吸盤電磁鐵|環形電永磁吸盤電磁鐵從產品設計到樣品以及量產,均有量化高效的工藝流程及老化實驗檢測,保證了產品的質量與訂單的按時交貨。
關鍵詞:深海勘探取樣器吸盤電磁鐵,環形電永磁吸盤電磁鐵
| 上一篇:沒有信息了 |
| 下一篇:機械手電永磁吸盤電磁鐵 |






