按應用分類
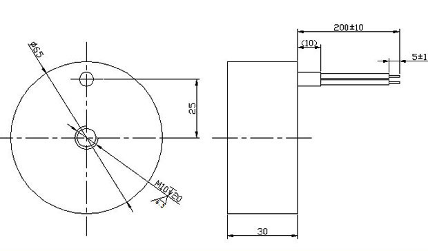
型號:SDL-XP6530A-24L45
產品使用對象:自動控制設備
產品執行功能:起重
防水耐油強力電吸盤 直流圓形電磁鐵吸盤參數
| 電壓: | DC24V | 行程: | 電阻: | 45歐 | 功率: | 13W | |
| 耐溫: | 壽命: | 50萬次 | 耐電壓: | 初始力: | 130KG | ||
| 電流: | 0.53A | 通電率: | 100% | 彈簧回力: | 吸力: | 130KG |
防水耐油強力電吸盤 直流圓形電磁鐵吸盤產品詳情
防水耐油強力電吸盤 直流圓形電磁鐵吸盤
型號:SDL-XP6530A-24L45
參數
電壓:DC24V
電流:0.53A
功率:13W
電阻:45歐
初始力:130KG
通電率:100%
壽命:50萬次
是否防水:是
是否耐油:是
廣州思德隆電子有限公司(http://www.shslh.com)創立于2005年,是一家專業生產研發電磁鐵定制加工,電磁閥定制,電磁線圈,小型電磁鐵等各類電磁產品,擁有豐富行業經驗的廣州電磁鐵廠家、廣州電磁閥廠家、電磁線圈廠家。品種多樣,規格齊全,產品從零部件到成品組裝均有自己的加工設備以及產生線,擁有高精密度檢測儀器和自主研發的老化設備,已通過(ISO9001認證)專業制造車燈電磁鐵/透鏡電磁鐵從產品設計到樣品以及量產,均有量化高效的工藝流程及老化實驗檢測,保證了產品的質量與訂單的按時交貨。
http://www.shslh.com/elinfo-167.html
http://www.shslh.com/coinfo-34.html
http://www.shslh.com/coinfo-35.html
http://www.shslh.com/coinfo-36.html
http://www.shslh.com/vainfo-19.html
關鍵詞:防水耐油電吸盤,強力電吸盤,直流電磁鐵吸盤,圓形電磁鐵吸盤

.jpg)
.jpg)

.jpg)





